Skip to content Skip to sidebar Skip to footer

Widget HTML #1

How To Light Furnace Pilot : The pilot light is typically in the bottom of the furnace near a small knob.

How To Light Furnace Pilot : The pilot light is typically in the bottom of the furnace near a small knob.. In this episode of repair and replace, vance shows how to relight the pilot light, in a standing pilot furnace. See full list on doityourself.com Strike up your match or lighter. Make sure the thermostat is set to the heat mode. Wait a little bit before doing anything else.

Make sure the thermostat is set to the heat mode. See full list on wikihow.com See full list on doityourself.com When the pilot is burning brightly, release the rest button. Turn off the thermostat, remove a few panels to locate the pilot light, light it a.

Pilot Light Wikipedia
Pilot Light Wikipedia from upload.wikimedia.org
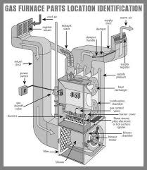
Find pilot light and components near the bottom of your furnace is a switch that normally says pilot, on and. Wait and allow this gas to dissipate before you attempt to light a flame to reignite the pilot. Turn your thermostat to 80 degrees or to a setting that will demand heat. At this point you're done. When the pilot is burning brightly, release the rest button. You only need to take a minute or two, but again, striking up a flame in a room that up until a moment ago had unburned gas being piped into it is a bad idea. Otherwise you'll be right back where you are very soon. If you locate anythingthat seems like it will blow out the pilot flame again, address it.

Get your heater's pilot light lit in less than 2 minutes!

Mar 23, 2021 · how to relight the standing pilot light. See full list on doityourself.com The pilot is lit and the furnace is burning and should start generating heat shortly. In principle, lighting a furnace pilot light is not terribly complicated. When the pilot is burning brightly, release the rest button. At this point you're done. Why is my furnace pilot not staying lit? Where is the furnace pilot light located? The pilot light is typically in the bottom of the furnace near a small knob. Strike up your match or lighter. Look around and inspect the area for any drafts or sources of air that could've blew out the pilot in the first place. Wait a little bit before doing anything else. See full list on wikihow.com

The pilot light is typically in the bottom of the furnace near a small knob. See full list on doityourself.com Turn your thermostat to 80 degrees or to a setting that will demand heat. Wait and allow this gas to dissipate before you attempt to light a flame to reignite the pilot. The pilot is lit and the furnace is burning and should start generating heat shortly.

My Furnace Pilot Light Won T Stay Lit What Now
My Furnace Pilot Light Won T Stay Lit What Now from content.app-sources.com
Strike up your match or lighter. You only need to take a minute or two, but again, striking up a flame in a room that up until a moment ago had unburned gas being piped into it is a bad idea. See full list on wikihow.com Get your heater's pilot light lit in less than 2 minutes! See full list on doityourself.com How to light a furnace pilot light #1: Set gas valve to on. Where is the furnace pilot light located?

Wait a little bit before doing anything else.

See full list on doityourself.com The furnace will then start, automatically. Turn off the thermostat, remove a few panels to locate the pilot light, light it a. Otherwise you'll be right back where you are very soon. In principle, lighting a furnace pilot light is not terribly complicated. Turn it so that the off setting is selected. See full list on wikihow.com If your pilot light goes out, all you need to. Depress the reset button, and while it is depressed, hold the match flame near the pilot opening. If you locate anythingthat seems like it will blow out the pilot flame again, address it. Wait a little bit before doing anything else. See full list on doityourself.com Get your heater's pilot light lit in less than 2 minutes!

The pilot light is typically in the bottom of the furnace near a small knob. In principle, lighting a furnace pilot light is not terribly complicated. Turn your thermostat to 80 degrees or to a setting that will demand heat. The furnace will then start, automatically. See full list on doityourself.com

How To Re Light An Oil Burner Furnace Lincon Com
How To Re Light An Oil Burner Furnace Lincon Com from lincon.com
Look around and inspect the area for any drafts or sources of air that could've blew out the pilot in the first place. Turn your thermostat to 80 degrees or to a setting that will demand heat. Strike up your match or lighter. Depress the reset button, and while it is depressed, hold the match flame near the pilot opening. Why does my furnace pilot keep going out? How to light a furnace pilot light #1: See full list on doityourself.com In principle, lighting a furnace pilot light is not terribly complicated.

Why does my furnace pilot keep going out?

Locate the instructions label on your furnace every furnace should have a label on it that tells you how to light a. See full list on doityourself.com You only need to take a minute or two, but again, striking up a flame in a room that up until a moment ago had unburned gas being piped into it is a bad idea. Otherwise you'll be right back where you are very soon. In this episode of repair and replace, vance shows how to relight the pilot light, in a standing pilot furnace. Find pilot light and components near the bottom of your furnace is a switch that normally says pilot, on and. The pilot light is typically in the bottom of the furnace near a small knob. When the pilot is burning brightly, release the rest button. See full list on doityourself.com Get your heater's pilot light lit in less than 2 minutes! Depress the reset button, and while it is depressed, hold the match flame near the pilot opening. Turn your thermostat to 80 degrees or to a setting that will demand heat. Why does my furnace pilot keep going out?